16DC -P
 
16DC25P-24V-PM

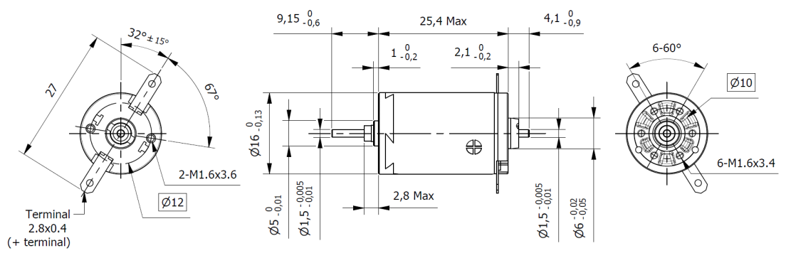
16DC25P-24V-PM

Product Code: 16DC25P-24V-4283-PM.001
Technical Data Download Dimensions Combinations
CommutationPrecious Metal Brushes Size16 mm
Length (L)25.4 mmWeight23 g
Rated Voltage24 VdcRated Torque3.8 mNm
Rated Speed4210 rpmStall Torque8.75 mNm
Torque Constant30.3 mNm/AMotor Regulation90.6 103/Nms
Rated Current0.128 AStall Current0.289 A
No-Load Current3 mANo-Load Speed7470 rpm
Line to Line Resistance83.2 OhmLine to Line Inductance2.49 mH
Rotor Inertia0.994 gcm2Max. Efficiency80 %
Mechanical Time Constant9 msAmbient Temperature Sleeve bearings-30 / +65 °C
Max. Winding Temperature85 °CMax. Speed11000 rpm
Radial Play0.012mm Axial Play0.05 / 0.15 mm
Max. Radial Force (5mm from flange)1.4 NMax. Axial Force0.8 N
Press-Fit Max.35 N
Need help?
Talk to our experts



Contact us
Switzerland - Global HQ


Via Prè d’là, 1
CH-6814 Lamone, Switzerland
Phone: +41 (0)91 612 85 00
Fax: +41 (0)91 612 85 19
E-mail: info@delta-line.com
USA


Delta Line North America, Inc
4600 South Syracuse, 9th Floor
Denver, CO 80237, USA
Phone: +1 303 256 6212
E-mail: infous@delta-line.com
China


Changzhou Delta Line Trade
Company Limited,
414 Building 1,
FuChen HuaYuan
New North District Changzhou,
Jiangsu, China
Follow

© 2020 All rights reserved| Privacy & cookie Policy | Legal Notes
Powered by Ico Computer| Sitemap