26DC -N
 
26DC57N-48V-G

26DC57N-48V-G

Product Code: 26DC57N-48V-9702-G.001
Technical Data Download Dimensions Combinations
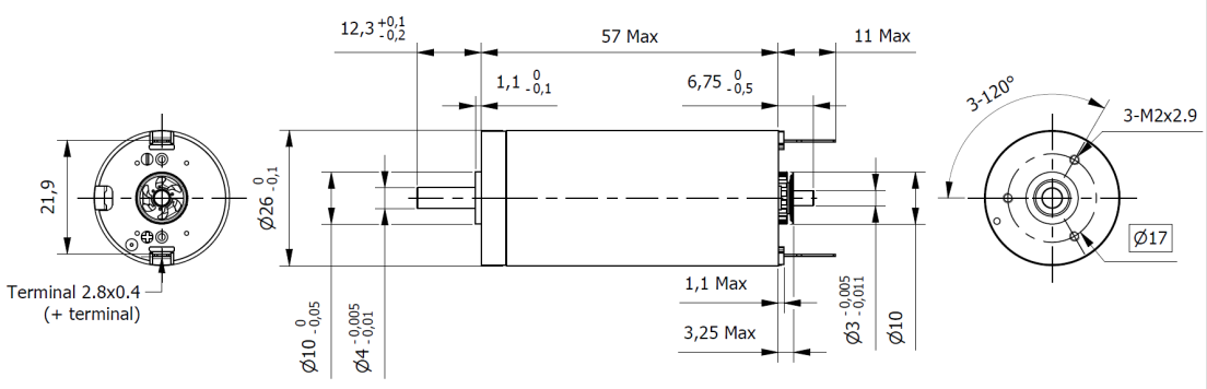
CommutationGraphite Brushes Size26 mm
Length (L)57 mmWeight170 g
Rated Voltage48 VdcRated Torque59.1 mNm
Rated Speed9730 rpmStall Torque697 mNm
Torque Constant42.9 mNm/AMotor Regulation1.6 103/Nms
Rated Current1.41 AStall Current16.2 A
No-Load Current33 mANo-Load Speed10700 rpm
Line to Line Resistance2.95 OhmLine to Line Inductance0.514 mH
Rotor Inertia21.2 gcm2Max. Efficiency91 %
Mechanical Time Constant3.4 msAmbient Temperature Sleeve bearings-30 / +100 °C
Max. Winding Temperature155 °CMax. Speed8600 rpm
Radial Play0.02mm Axial Play0 / 0.2 mm
Max. Radial Force (5mm from flange)5.5 NMax. Axial Force0.1 N
Press-Fit Max.80 N
Need help?
Talk to our experts



Contact us
Switzerland - Global HQ


Via Prè d’là, 1
CH-6814 Lamone, Switzerland
Phone: +41 (0)91 612 85 00
Fax: +41 (0)91 612 85 19
E-mail: info@delta-line.com
USA


Delta Line North America, Inc
4600 South Syracuse, 9th Floor
Denver, CO 80237, USA
Phone: +1 303 256 6212
E-mail: infous@delta-line.com
China


Changzhou Delta Line Trade
Company Limited,
414 Building 1,
FuChen HuaYuan
New North District Changzhou,
Jiangsu, China
Follow

© 2020 All rights reserved| Privacy & cookie Policy | Legal Notes
Powered by Ico Computer| Sitemap