56JMS
 
Home   Products   >   Gearboxes   >   Planetary gearboxes   >   56JMS  
56JMS-2-12.96

56JMS-2-12.96

Product Code: 56JMS-2-12.96.000
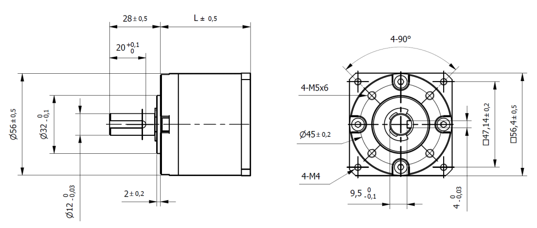
Technical Data Download Dimensions
SeriesJMS Size56 mm
Length (L)49.4 mmStages2
Reduction Ratio12.96 Nominal Output Torque15 Nm
Recommended Input Speed4000 rpmMax. Output Torque60 Nm
Efficiency81 %Average Backlash No-load≤1,2 °
Weight610 gMax. Radial load300 N
Max. Axial load200 NRadial Play<0.08mm
Axial Play<0.4 mmPress-Fit Max.300 N
Operating Temperature-20°C +80°C Bearing outputBall Bearings
Need help?
Talk to our experts



Contact us
Switzerland - Global HQ


Via Prè d’là, 1
CH-6814 Lamone, Switzerland
Phone: +41 (0)91 612 85 00
Fax: +41 (0)91 612 85 19
E-mail: info@delta-line.com
USA


Delta Line North America, Inc
4600 South Syracuse, 9th Floor
Denver, CO 80237, USA
Phone: +1 303 256 6212
E-mail: infous@delta-line.com
China


Changzhou Delta Line Trade
Company Limited,
414 Building 1,
FuChen HuaYuan
New North District Changzhou,
Jiangsu, China
Follow

© 2020 All rights reserved| Privacy & cookie Policy | Legal Notes
Powered by Ico Computer| Sitemap