GP56 -T - Torque
 
GP56-T2-20

GP56-T2-20

Product Code: GP56-T2-20.03.000
Technical Data Download Dimensions
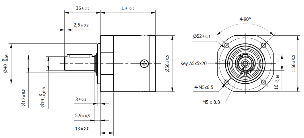
SeriesGP Size56 mm
Length (L)72 mmStages2
Reduction Ratio20.03 Nominal Output Torque23.03 Nm
Max. Input Speed8307 rpmRecommended Input Speed3500 rpm
Max. Output Torque46.06 NmEfficiency85 %
Moment of Inertia(≤φ8) 3.81 kgmm2Weight800 g
Backlash at 2% nominal output torque≤0.5 °Press-Fit Max.500 N
Noise level≤55 dBOperating Temperature-15°C +90°C
Protection ClassIP54 Bearing outputBall Bearings
Need help?
Talk to our experts



Contact us
Switzerland - Global HQ


Via Prè d’là, 1
CH-6814 Lamone, Switzerland
Phone: +41 (0)91 612 85 00
Fax: +41 (0)91 612 85 19
E-mail: info@delta-line.com
USA


Delta Line North America, Inc
4600 South Syracuse, 9th Floor
Denver, CO 80237, USA
Phone: +1 303 256 6212
E-mail: infous@delta-line.com
China


Changzhou Delta Line Trade
Company Limited,
414 Building 1,
FuChen HuaYuan
New North District Changzhou,
Jiangsu, China
Follow

© 2020 All rights reserved| Privacy & cookie Policy | Legal Notes
Powered by Ico Computer| Sitemap