60BLF12-48V 60BLF | Delta Line
 
60BLF12-48V

60BLF12-48V

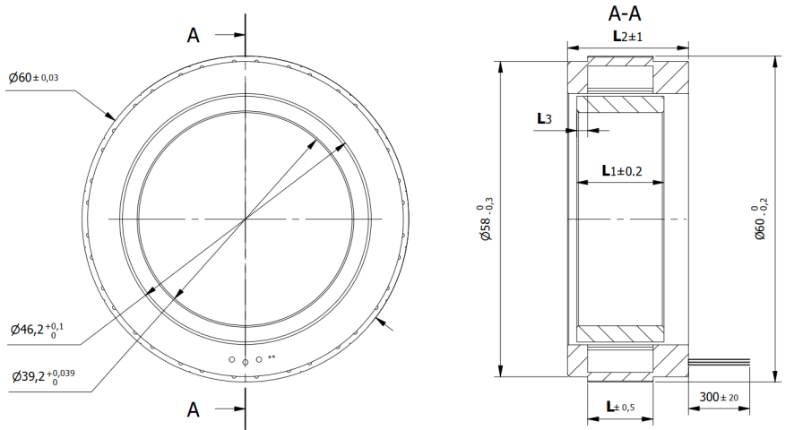
Stator OD 60 mm  |  Rotor ID 39.2 mm  |  Rated Voltage 48 Vdc  |  Rated Torque 0.45 Nm  |  Rated Speed 4000 rpm

Product Code: 60BLF12-48V
Technical Data Download Dimensions Combinations
Stator OD60 mmRotor ID39.2 mm
Rated Voltage48 VdcRated Torque0.45 Nm
Max. Peak Torque1.35 NmRated Speed4000 rpm
Max. Speed5200 rpmn° of Pole20
n° of Phase3 Torque Constant0.102 Nm/A
Rated Current5 AMax. Peak Current15 A
No-Load Current200 mALine to Line Resistance0.62 Ohm
Line to Line Inductance0.46 mHRotor Inertia172 gcm2
Back EMF6.2 Vrms/KrpmStator height (L)12 mm
Rotor height (L1)16 mmLength (L2)22.2 mm
Measure (L3)2 mmWeight0.165 Kg
Hall Effect Angle120 °Insulation ClassB
Dielectric strength (for 1 sec.)650 VACInsulation Resistance (min.500 VDC)100 Mohm
Operating Temperature-20°C +50°C Humiditymax. 85% not condensing
Need help?
Talk to our experts



Contact us
Switzerland - Global HQ


Via Prè d’là, 1
CH-6814 Lamone, Switzerland
Phone: +41 (0)91 612 85 00
Fax: +41 (0)91 612 85 19
E-mail: info@delta-line.com
USA


Delta Line North America, Inc
4600 South Syracuse, 9th Floor
Denver, CO 80237, USA
Phone: +1 303 256 6212
E-mail: infous@delta-line.com
China


Changzhou Delta Line Trade
Company Limited,
414 Building 1,
FuChen HuaYuan
New North District Changzhou,
Jiangsu, China
Follow

© 2020 All rights reserved| Privacy & cookie Policy | Legal Notes
Powered by Ico Computer| Sitemap