IBS057
 
IBS057 0044NE 100X M-S200

IBS057 0044NE 100X M-S200

Product Code: IBS0570044NE100XM-S200
Technical Data Download Dimensions Combinations Software Accessories
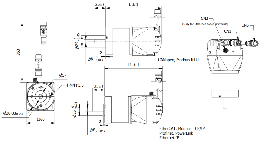
Size57 mmLength (L)98 mm
InterfaceModbus-RTU Rated Torque0.11 Nm
Rated Power44 WattRated Current1.8 A
Operating Voltage24-36 Vdcn° of Pole4
Rated Voltage36 VdcRated Speed4000 rpm
Max. Peak Torque0.33 NmTorque Constant0.06 Nm/A
Max. Peak Current5.5 ANo-Load Current<400 mA
Rotor Inertia75 gcm2Weight0.7 Kg
Shaft run out0.025 mmInsulation ClassB
Protection ClassIP20 Radial Play (460g load)0.025 mm
Operating Temperature+5°C to +40°C Humidity5% to 85% not condensing
Axial Play (4000g load)0.025 mmMax. Radial Force (20mm from flange)75 N
Max. Axial Force15 NDielectric Strength (for 1min.)500 VAC
Insulation Resistance (min.500 VDC)100 MohmOperating modeSpeed, Torque
Protective functionsOver current, over/under voltage, overheating, short circuit Encoder Type - StandardMagnetic Incremental encoder
Digital Inputs4 not isolated 5-24 Vdc PNP Analog Inputs1 not isolated | 0-10 Vdc
Digital Outputs2 not isolated 24 Vdc
Need help?
Talk to our experts



Contact us
Switzerland - Global HQ


Via Prè d’là, 1
CH-6814 Lamone, Switzerland
Phone: +41 (0)91 612 85 00
Fax: +41 (0)91 612 85 19
E-mail: info@delta-line.com
USA


Delta Line North America, Inc
4600 South Syracuse, 9th Floor
Denver, CO 80237, USA
Phone: +1 303 256 6212
E-mail: infous@delta-line.com
China


Changzhou Delta Line Trade
Company Limited,
414 Building 1,
FuChen HuaYuan
New North District Changzhou,
Jiangsu, China
Follow

© 2020 All rights reserved| Privacy & cookie Policy | Legal Notes
Powered by Ico Computer| Sitemap