IVIX60
 
IVIX60 0400NX200X R-S402

IVIX60 0400NX200X R-S402

Product Code: IVIX600400NX200XR-S402
Technical Data Download Dimensions Combinations Software Accessories
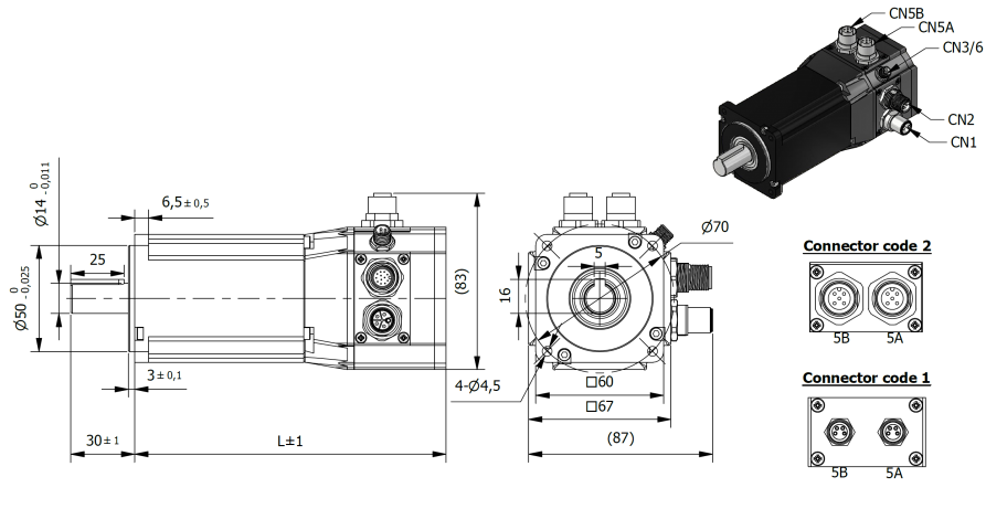
Size60 mmLength (L)146 mm
InterfacePowerlink Rated Power400 Watt
Rated Torque1.27 NmRated Current12 A
Rated Voltage48 Vdcn° of Pole10
Rated Speed3000 rpmMax. Peak Torque3.81 Nm
Torque Constant0.107 Nm/AMax. Peak Current36 A
No-Load Current<1 mABack EMF constant6.5 V/kRPM
Rotor Inertia250 gcm2Weight1.67 Kg
Shaft run out0.02 mmInsulation ClassF 155°C
Protection ClassIP65 Operating Temperature+5°C to +40°C
Humidity5% to 85% not condensing Radial Play (450g load)0.02 mm
Axial Play (450g load)0.14 mmMax. Radial force (at mid-shaft)245 N
Max. Axial Force98 NDielectric Strength (for 1min.)600 VAC
Insulation Resistance (min.500 VDC)100 MohmOperating modePosition, Speed, Torque
Encoder Type - StandardMagnetic Incremental 2500 CPR Encoder Type - OptionalMagnetic Absolute Multiturn (BiSS): 17bit, 16bit
Protective functionsOver/Under voltage, Over current, Overheating, Short circuit Safety featureSafe Torque Off (STO) SIL3/PLe
Debug & configurationSerial interface Digital Inputs4 not isolated 5-24 Vdc PNP
Analog Inputs2 not isolated | 0-10 Vdc Digital Outputs2 not isolated 24 Vdc PNP
Need help?
Talk to our experts



Contact us
Switzerland - Global HQ


Via Prè d’là, 1
CH-6814 Lamone, Switzerland
Phone: +41 (0)91 612 85 00
Fax: +41 (0)91 612 85 19
E-mail: info@delta-line.com
USA


Delta Line North America, Inc
4600 South Syracuse, 9th Floor
Denver, CO 80237, USA
Phone: +1 303 256 6212
E-mail: infous@delta-line.com
China


Changzhou Delta Line Trade
Company Limited,
414 Building 1,
FuChen HuaYuan
New North District Changzhou,
Jiangsu, China
Follow

© 2020 All rights reserved| Privacy & cookie Policy | Legal Notes
Powered by Ico Computer| Sitemap