28C
 
28C45-10-BD

28C45-10-BD

Product Code: 28C45-10-BD
Technical Data Download Dimensions Combinations
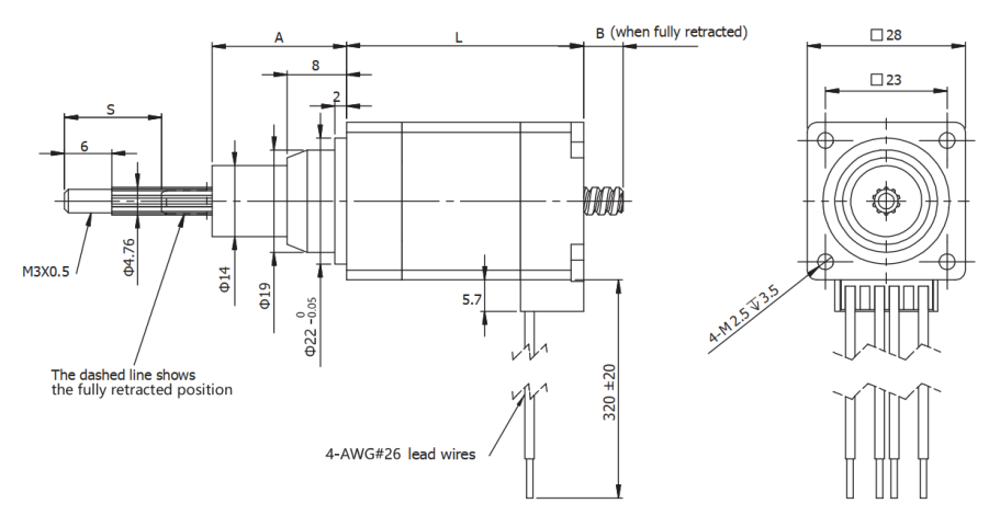
Size28 mmNema11
Length (L)45 mmCurrent/Phase1 A
Rated Voltage3.7 VdcResistance/Phase3.7 Ohm
Inductance/Phase2.3 mHN° of Leads4
Rotor Inertia13 gcm2Weight180 g
Thrust ref85 NScrew Diameter4.76 mm
Screw Lead5.08 mmTravel per Step0.0254 mm
Stroke Length12.7 to 63.5mm (see datasheet) WiringBipolar
Step Angle1.8 °Insulation ClassB
Protection classIP20 Operating Temperature-20°C +50°C
Temperature Risemax. 80 °CDielectric strength (for 1 sec.)500 VAC
Need help?
Talk to our experts



Contact us
Switzerland - Global HQ


Via Prè d’là, 1
CH-6814 Lamone, Switzerland
Phone: +41 (0)91 612 85 00
Fax: +41 (0)91 612 85 19
E-mail: info@delta-line.com
USA


Delta Line North America, Inc
4600 South Syracuse, 9th Floor
Denver, CO 80237, USA
Phone: +1 303 256 6212
E-mail: infous@delta-line.com
China


Changzhou Delta Line Trade
Company Limited,
414 Building 1,
FuChen HuaYuan
New North District Changzhou,
Jiangsu, China
Follow

© 2020 All rights reserved| Privacy & cookie Policy | Legal Notes
Powered by Ico Computer| Sitemap